Szegedi Tudományegyetem Ahol tudás és szándék találkozik

2012  --  Műszaki és Létesítménygazdálkodási Iroda
Ajánlattételi felhívás SZTE/2012/PM01483
A Szegedi Tudományegyetem Gazdasági és Műszaki Főigazgatósága (továbbiakban: Ajánlatkérő) nyílt beszerzési eljárást hirdet.

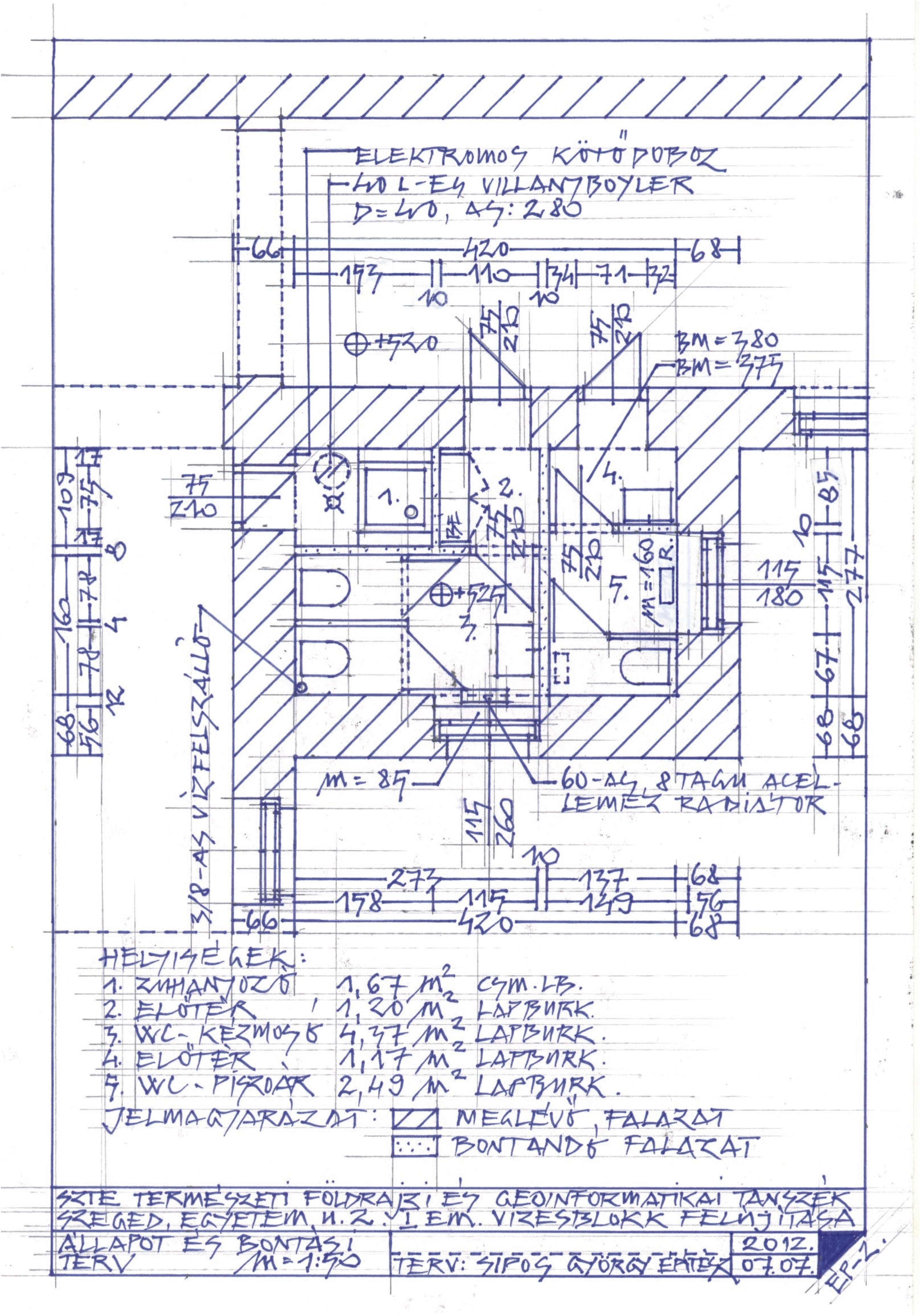
A beszerzés tárgya: Az SZTE Természeti Földrajzi és Geoinformatikai Tanszék ( Szeged, Egyetem u. 2 ) 11,0 m2-es I. emeleti vizesblokkjának felújítása ill. akadálymentesítése.
2012. szeptember 05.
Ajánlat sorszáma: SZTE/2012/PM01483

Ajánlattételi határidő: 2012. szeptember 12 14:00

Szállítás, teljesítés tervezett időpontja: I. ütem a szerződéskötéstől számított 20 naptári nap. II. ütem a jogerős építési engedély rendelkezésre állásától 20 naptári nap

A beszerzés rövid ismertetője:


Megvalósítandó a Sipos György építész tervező által 2012 júliusban késztett kiviteli tervekben részletezettek szerint az SZTE Természeti Földrajzi és Geoinformatikai Tanszék ( Szeged, Egyetem u. 2 ) 11,0 m2-es I. emeleti vizesblokkjának felújítása ill. akadálymentesítése.


A jelenlegi mosdóblokk válaszfalainak , burkolatainak elbontása után a terv szerinti akadálymentes vizesblokk alakítandó ki a megváltozott gépészeti és elektromos szerelés elkészítésével. ( I. ütem )


A munka része a bejárat akadálymentes beközlekedésre alkalmassá tétele, amihez a főfalban nyílás kiváltást kell készíteni a terv szerint. Az ehhez szükséges építési engedély kérelme folyamatban van , ezért ennek kivitelezése csak az engedély jogerőssé válása után végezhető el. ( II. ütem )

 
Általános:


- Az ajánlatot a terv , a helyszín ismerete és a szakmai tapasztalat alapján kell megtenni a mellékelt költségvetés beárazásával.

- Az ajánlatnak tartalmaznia kell minden olyan felmerülő költség fedezetét, ami a megvalósításhoz szükséges !

- Csak I. osztályú minősített anyagok , szerkezetek építhetők be, melyek bizonylatait előre be kell mutatni és az átadáskor mellékelni kell !.

- A műszaki átadás feltétele az eredményes vízminta és érintésvédelmi jegyzőkönyv elkészítése és bemutatása.


Az árajánlat főösszesítőjén 5% tartalékkeretet kérünk szerepeltetni.


Helyszíni bejárás helye és időpontja:


SZTE Természeti Földrajzi és Geoinformatikai Tanszék ( Szeged, Egyetem u. 2.) porta

2012. 09. 10. 10:00


A Vállalási árat a következő formában kérjük megadni:


nettó összeg:………………………..,- Ft

tartalékkeret (5%):…………………,- Ft

nettó összesen:……………..………,- Ft

ÁFA 27%:………………………..…- Ft

Bruttó összeg:…………………...….,- Ft



A Kivitelező a kiváltás kivételével elkészített belső munkák elkészülte után a teljes vállalási ár 67 %-ának megfelelő részszámlát nyújthat be. A maradék 33 % a teljes készültség után számlázható.

A számlák fizetési határideje 60 naptári nap.

Megrendelő előleget nem fizet.



Letölthető állományok:
Építési szerződés webrás építési engedélyes.doc
Általános szerződéses feltételek új.doc
akadálymentes vizesblokk árazatlan.xls
Ép 1.jpg
ÉP 2.jpg
Ép 3.jpg
Ép 4.jpg
Kt leírás.pdf

Bírálati szempont: legalacsonyabb összegű ellenszolgáltatás



Ajánlat benyújtásának módja: Zárt borítékban 1 eredeti példányban, a Szegedi Tudományegyetemnek címezve: SZTE Gazdasági és Műszaki Főigazgatóság Szentháromság utca 34, személyesen vagy postai úton. A borítékon és a dokumentációban kérjük feltüntetni az ajánlati sorszámot. Ajánlatát feltöltheti cégszerűen aláírt pdf formátumban, az adott eljárás weboldalán a jobb felső sarokban levő "ajánlattétel" linken keresztül.
Kérjük, hogy ajánlatukat vagy borítékban juttassák el, vagy az adott eljárás weboldalán töltsék fel.

További információ kérhető:

Az ajánlatkérő hivatalos kapcsolattartója: Fakan Zoltán, irodavezető

fakan.zoltan@gmf.u-szeged.hu

Az ajánlatkérő szakmai kapcsolattartója: Vincze Csaba, főmunkatárs SZTE GMF Műszaki és Beruházási Iroda, tel: +36 (62) 545-605, +36 (62) 544-000/5605, fax:

email: vincze.csaba@gmf.u-szeged.hu

Az eljárás nyelve: magyar, de az ajánlatkérő angol nyelvű ajánlatot is elfogad. Jelen felhívással Ajánlatkérő olyan cégek jelentkezését várja, akik megfelelő pénzügyi háttérrel rendelkeznek valamint képesek a mielőbbi szállítására. Az ajánlatkérő fenntartja magának a jogot, hogy az ajánlattevőktől további írásbeli tájékoztatást kérjen 5 munkanapon belül, a tájékoztatási igény minden ajánlattevőnek történő egyidejű megküldésével, az érvényes jelentkezések alapján. Ezek után az ajánlatkérő elvégzi az ajánlatok értékelését, amelynek eredményéről a lehető legrövidebb időn belül értesíti az Ajánlattevőket.

Ajánlatkérő fenntartja magának a jogot, hogy a jelen felhívás lefolytatásától indoklás nélkül részlegesen, illetve teljes mértékben elálljon. Az Ajánlatkérő nem vállal felelősséget az elállásból származó következményekért.

A jelen felhívás egyetlen Ajánlattevő által sem tekinthető az Ajánlatkérő által tett szerződéses ajánlatnak vagy kötelezettségvállalásnak. A felhívás és a pályázati eljárás az Ajánlatkérő belső szabályai alapján történik.

Nyertes ajánlattevő: PRIORITÁS Kft. (Szeged, Egyetem u. 2.)
Nyertes ajánlati ár: 1 985 525,-Ft+ÁFA